ASKER橡胶硬度测试台CL-150H产品特点

测定荷重: 该荷重计由本体,低荷重用柔性连接器和低荷重用砝码构成。测量压力恒定。
测压速度: 使用带空气制动器的升降装置可保证测量速度恒定,也可以通过可调把手调整升降速度 。
柔性连接系统: 柔性连接系统可保证测头与工件的完全接触,能够较好的测量倾斜表面。
其他: 可与机械式和电子式ASKER硬度计连接使用。
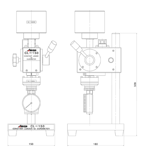
ASKER橡胶硬度测试台CL-150H规格尺寸

本体尺寸 mm | 约 宽150× 厚 180× **高 430 |
测试台有效尺寸mm | 约 宽150× 厚 140 |
测量有效深度 mm | 70 |
重量KG | 12 |
适用硬度计 | D(DL)型、JC(JCL)型、CS型
|
ASKER橡胶硬度测试台CL-150H产品应用

柔性连接器使稳定地,精确地和重复地测量硬度值成为可能.
使用人手操作橡胶硬度计会影响测量的精度和重复性。
高分子 CL-150橡胶硬度定压荷重仪,能够把人手操作存有的不稳定因素一一解除。
柔性连接系统和压力的保持系统确保在多次测量中,硬度计的压针都能以恒定的速度和压力,自行对齐并完全接触表面.
型号 | 适用硬度计 | 测定荷重 |
CL-150L | A、JA、B、C、E | 1000g1250g |
CL-150H | D、JC | 5000g |
CL-150M | 上记各型号 | 1000g 1250g5000g |
ASKER橡胶硬度测试台CL-150H产品尺寸

